Shopping, made easy.
/
Get the app!
Account
Hello,
Guest
Sign in
Register
My Account
My Favourites
My Orders
Address Book
Tilga Coins
Discount Codes
Customer Service
Buy Again
|
Sign in
Register
|
اَلْعَرَبِيَّةُ
Categories
Brands
Sales
Blog
Search
Search
Home
/
TUHGVCRAI
/
Wiring & Connecting
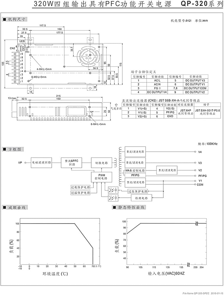
Four Group Output Switching Power Supply QP-320D QP-320F(QP-320F)
Sorry, this product is not available
Brand
TUHGVCRAI
Category
Wiring & Connecting
Special Features
Power Entry Modules
Power Supply
Description
Power Entry Modules
Power Supply
Four Group Output Switching Power Supply QP-320D QP-320F
Related Items
1000W 1200W 1500W 110VAC 380VAC AC/DC Switching Power Supply 0-12V 24V 36V 48v 60V 72V 80V 110V 220V Voltage Adjustable SMPS(0-110v-1500w,340-440VAC)
KWD
124
1200W Adjustable Voltage Current Switching Power Supply 0-12V 24v 36v 48v 60v 72v 90v 110V 220V 20A 50A 110/220vac(220v 5.4a)
KWD
151
.
500
2000W 2500W 3000W Switching Power Supply 0-12V 24V 36V 48V 60V 80V 90V 110V 220V 300V 400V AC-DC Voltage Current Adjustable(0-36v-2000w)
KWD
223
.
500
Adjustable Switching Power Supply 500W 0-12V 24V 36V 48V 60V 72V 80V 90V AC to DC for LED Strip Light Digital Display(0-60V)
KWD
55