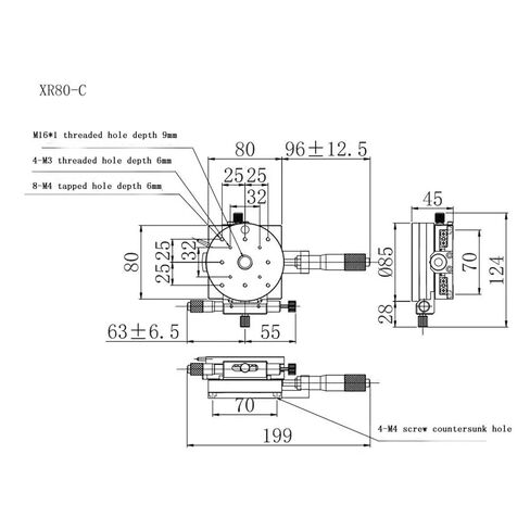
منصة دوارة لمحور الضبط الدقيق اليدوي XRG 80-C عالية الدقة
وصف
Roller Tables
Product model specifications: XRG80-C
Movement direction: XR axis two directions
Achievable: precise fine-tuning of front and rear/left and right, 360-degree rotation
Material: Aluminum alloy (surface black anodized)
Workbench size: 80mm×80mm
Guide rail type: V-type precision crossed roller guide rail
Movement amount: X axis ±12.5mm
R axis: coarse adjustment 360° rotation, fine adjustment 5°
Minimum reading of micrometer knob: 10um/scale
Load: 39.2N (4kgf)
Accuracy: 10um
Straightness: 5um
Weight: 1.1KG
{"error":"\u062e\u0637\u0623","cart_limit":"\u0644\u062f\u064a\u0643 \u0627\u0644\u0643\u062b\u064a\u0631 \u0645\u0646 \u0627\u0644\u0645\u0646\u062a\u062c\u0627\u062a \u0641\u064a \u0633\u0644\u0629 \u0627\u0644\u062a\u0633\u0648\u0642 \u0627\u0644\u062e\u0627\u0635\u0629 \u0628\u0643.","prod_limit":"\u0644\u0627 \u064a\u0645\u0643\u0646\u0643 \u0625\u0636\u0627\u0641\u0629 \u0627\u0644\u0645\u0632\u064a\u062f \u0645\u0646 \u0647\u0630\u0627 \u0627\u0644\u0645\u0646\u062a\u062c"}