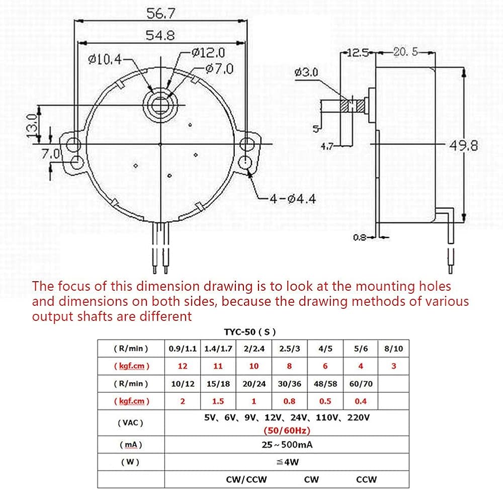
【المعلمات 】-الجهد: تيار متردد 110 فولت؛ السرعة: 8-10 دورة في الدقيقة؛ الطاقة: 4 واط؛ الاتجاه: الأسلحة الكيميائية؛ القطر: 49.8 ملم/1.96 بوصة؛ السُمك: 20.5 ملم/0.81 بوصة؛ طول السلك: 400 مم/15.75 بوصة؛ قطر العمود: 7 مم/0.28 بوصة؛ طول العمود: 15 مللي متر/0.59"
[المميزات] - محرك التردد المتزامن صغير الحجم وخفيف الوزن وسهل الاستخدام، وهو جيد للأعمال اليدوية والمشروعات اليدوية والنماذج وأي شيء تريده
【الميزات】 - يتميز المحرك المتزامن باستهلاك منخفض للطاقة، وعزم دوران كبير، وتشغيل كبير، وضجيج منخفض وسهل التركيب. إنه محرك تيار متردد عادي
【الاستخدام】 - تُستخدم المحركات المتزامنة AC بشكل أساسي في آليات توجيه الهواء للمراوح الكهربائية وآليات اهتزاز الرأس والسخانات والمصابيح والأجهزة الكهربائية الأخرى
[ملحوظة] - هذا النوع من المحركات المتزامنة هو محرك متزامن غير اتجاهي. عندما يصل الحمل إلى عزم الدوران المقدر للمحرك، فإنه سوف ينعكس تلقائيًا. لا تستخدم قوة خارجية لتدوير عمود المحرك